搜索
网站首页
关于我们
产品中心
补偿器
管接头
金属软管
连接器
不锈钢法兰
板把式快接
非标定制品
新闻资讯
公司新闻
行业新闻
设备一览
联系我们
Menu
产品中心
首页
>>
产品中心
>>
管接头
管接头
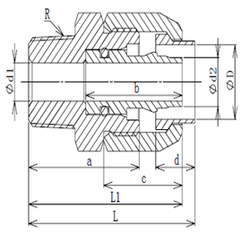
不锈钢可拆卸式防爆接头
一:产品参数
产
品名称: 可拆卸式软管接头 HOSE JOINT
主要材质: SUS304
产品外观: 金属银灰色
制造工艺: 管件、棒材+数控车学
二:尺寸规格
上一篇:
不锈钢金属接头 补心接头
下一篇:
双头外丝直接 VN